AVEVA Asset Information Management là chìa khóa ở đây cho mọi việc liên quan đến chính tài sản đó, cả tài sản vật chất, mô hình 3D của bạn, cũng như thông tin tài sản cơ bản và thực tế là thông tin kỹ thuật.
Tạo và duy trì cốt lõi của bản song sinh kỹ thuật số của bạn
AVEVA Asset Information Management là một giải pháp dựa trên web mạnh mẽ, tổng hợp thông tin từ nhiều nguồn và định dạng. Truy cập, trực quan hóa và xác thực dữ liệu bản sao kỹ thuật số đáng tin cậy một cách an toàn— dù là cộng tác với các nhóm trong tổ chức của bạn hay từ các doanh nghiệp khác. Đó là nguồn thông tin đáng tin cậy duy nhất cung cấp những hiểu biết sâu sắc có thể áp dụng được, cải thiện hoạt động và giảm thiểu sai sót.
AVEVA Asset Information Management là chìa khóa ở đây cho mọi việc liên quan đến chính tài sản đó, cả tài sản vật chất, mô hình 3D của bạn, cũng như thông tin tài sản cơ bản và thực tế là thông tin kỹ thuật.

Truy cập, quản lý và trực quan hóa dữ liệu của bạn từ mọi nơi trên thế giới
- Tạo cốt lõi của bản song sinh kỹ thuật số: Một vị trí chung cho tất cả dữ liệu của bạn, bao gồm tài liệu, mô hình 3D, báo cáo và quét laser, tạo nên cốt lõi của bản sao kỹ thuật số đáng tin cậy.
- Tính linh hoạt dựa trên đám mây: Có thể triển khai thông qua AVEVA™ Connect, nền tảng đám mây công nghiệp của AVEVA cho phép nhân viên chia sẻ thông tin quan trọng một cách an toàn.
- Khám phá thông tin tự động: Khả năng báo cáo mạnh mẽ và khả năng tìm kiếm nhanh chóng, theo nhiều khía cạnh.
- Cải thiện sự tuân thủ: Áp đặt các tiêu chuẩn thông tin tuân thủ, có cấu trúc (CFIHOS, ISO 15926, ISO 14224, v.v.).
Nhờ AVEVA Asset Information Management giờ đây chúng tôi có thể sử dụng thông tin nhất quán để thiết lập các quy trình quản lý thay đổi thực tế và giữ cho tài sản kỹ thuật số của nhà máy của chúng tôi luôn xanh tươi. Và nó giúp kết nối tất cả các dữ liệu của bạn lại với nhau.
Người dùng có thể xem ở nhiều chế độ khác nhau
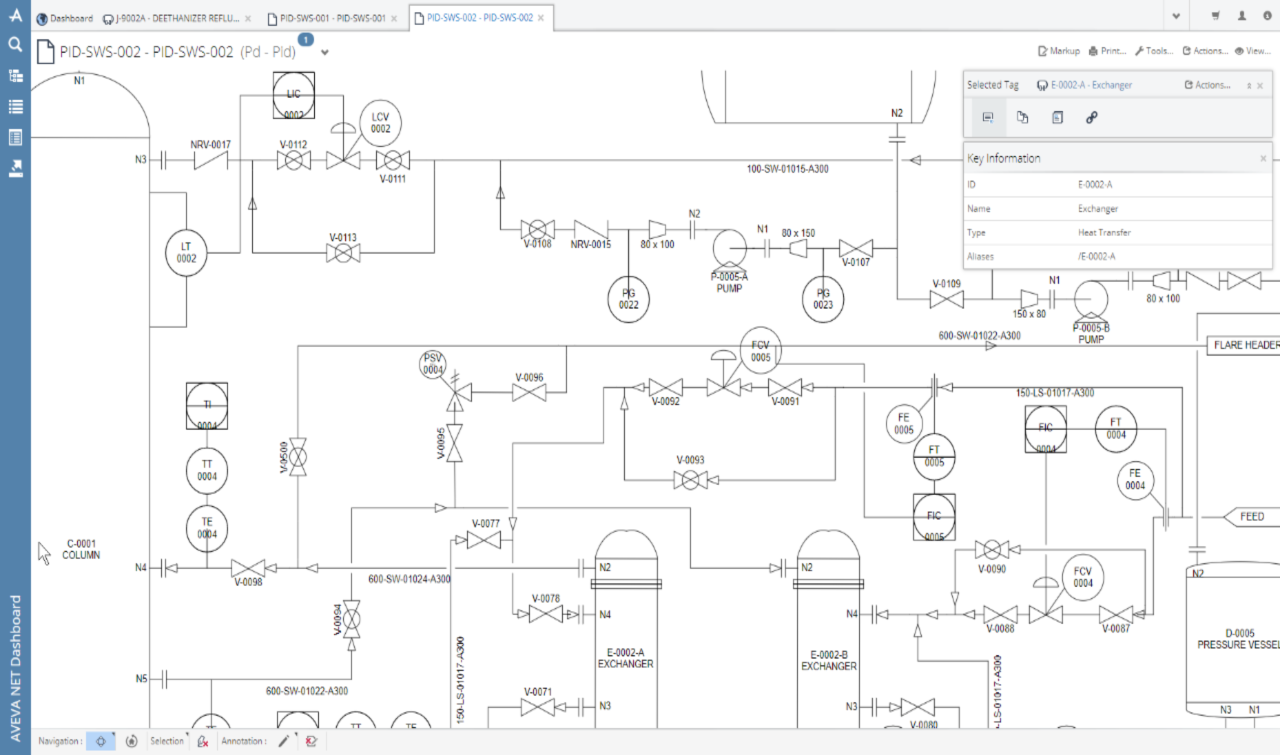
Dữ liệu tổng hợp trong một ứng dụng. Tìm kiếm các đường ống hoặc thẻ cụ thể trong cả mô hình 3D cũng như tài liệu 2D, như P&ID hoặc sơ đồ thủy lực và điện từ các nhà cung cấp khác.

Trực quan hóa mô hình 3D

Trực quan hóa P&ID 2D

Dữ liệu vận hành và kỹ thuật hợp nhất

Tìm kiếm nhanh chóng, đa dạng
Về khách hàng
- bp, cùng với KBR và AVEVA, đang sử dụng AVEVA Asset Information Management để tạo và duy trì bản song sinh kỹ thuật số của mình.
- Evonik sử dụng AVEVA Asset Information Management để hài hòa hóa nhà máy đang vận hành của mình.
- Wood sử dụng AVEVA Asset Information Management để khai thác giá trị lâu dài từ tài sản của mình, sử dụng cách tiếp cận vòng đời cho chiến lược song sinh kỹ thuật số.
- McDermott đang dẫn đầu quá trình chuyển đổi năng lượng bền vững thông qua các dự án vốn, kỹ thuật, xây dựng, v.v.
Các sản phẩm nổi bật liên kết với AVEVA Asset Information Management
- AVEVA™ Information Standards Manager: Áp đặt các tiêu chuẩn thông tin có cấu trúc và tuân thủ (CFIHOS, ISO 15926, ISO 14224, v.v.) tạo điều kiện thuận lợi cho việc chuyển giao thông tin hiệu quả ngay từ khi bắt đầu dự án.
- AVEVA™ Point Cloud Manager: Xử lý số lượng lớn dữ liệu đám mây điểm 3D bằng cách tạo ra một bộ đôi kỹ thuật số có thể truy cập, chi tiết và bảo mật, bổ sung giá trị giàu dữ liệu cho các dự án Brownfield, Greenfield và bảo trì.
- AVEVA™ PI System™: Thu thập, tăng cường và cung cấp dữ liệu hoạt động thời gian thực ở bất kỳ vị trí nào. Hiển thị và chia sẻ những hiểu biết có giá trị trên toàn doanh nghiệp của bạn để hỗ trợ các cơ hội kinh doanh mới.
- AVEVA™ Predictive Analytics: Cho phép các công ty công nghiệp tránh thời gian chết không có kế hoạch tốn kém trong môi trường không có mã. Cung cấp các phân tích dự đoán dựa trên AI ở quy mô và giúp người dùng công nghiệp xác định sự bất thường về tài sản của Week hoặc vài tháng trước khi thất bại.
- AVEVA™ Connect: Nền tảng đám mây công nghiệp của bạn. Truy cập danh mục đầu tư AVEVA đầy đủ thông qua một giao diện duy nhất. Thúc đẩy tăng trưởng bền vững bằng cách giúp bạn đạt được chuyển đổi kỹ thuật số nhanh hơn, giảm chi phí và tối ưu hóa ở quy mô.
- AVEVA™ Unified Engineering: Cung cấp một nền tảng được lưu trữ trên đám mây tích hợp duy nhất cho thông tin kỹ thuật cơ sở từ đầu đến cuối, từ mô phỏng quy trình đến dữ liệu thiết kế 1D, 2D và 3D tại tất cả các giai đoạn của một dự án.
Gskygo là công ty tư vấn, cung cấp các giải pháp phần mềm và dịch vụ CNTT chuyên nghiệp tại Việt Nam. Đội ngũ của Gskygo gồm những chuyên gia, cộng tác viên giỏi, có trình độ, kinh nghiệm và uy tín cùng các nhà đầu tư, đối tác lớn trong và ngoài nước chung tay xây dựng.
Các Doanh nghiệp, tổ chức có nhu cầu liên hệ Công ty Gskygo theo thông tin sau:
Email: info@gskygo.com | Website: www.gskygo.com
ĐT: +84 9024 17606 | Fax: +84 28 3535 0668
Gskygo – Tin cậy & Dài lâu










































